-
Description
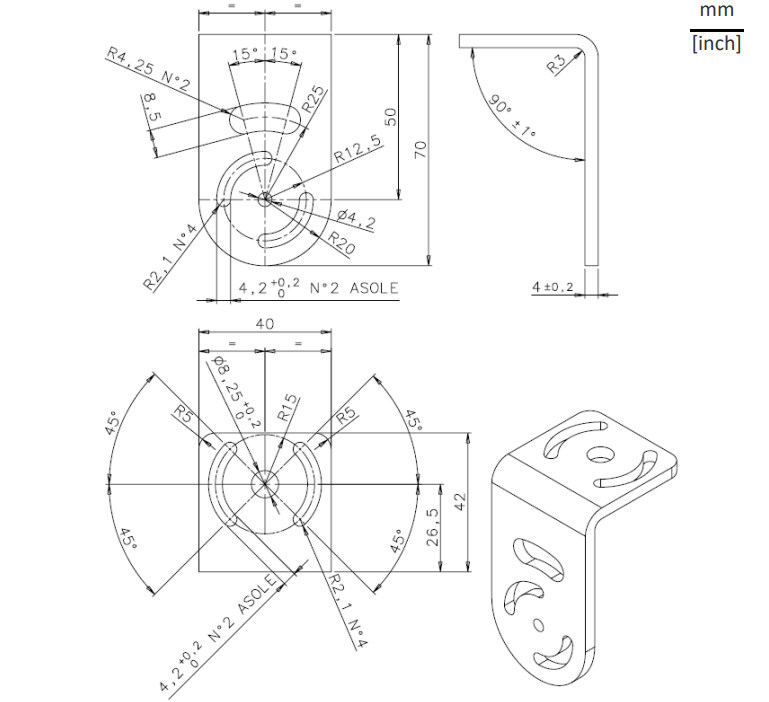
BK-32-000 STD FIX BRACKET M320/P2 BODY
The BK-32-000 Bracket provides a stable and secure mounting solution for the Matrix 320 scanner. Designed for compact or extended setups, it offers stability, heat sink compatibility, and easy installation. Featuring curved slots for flexible positioning and reliable performance in industrial environments. - Files
- Accessories